Exhibit 10.2
COLLABORATION AGREEMENT
This Collaboration Agreement (“Agreement”) is made and entered into as of August 23, 2017 (“Effective Date”), by and between 3D Nanocolor Corp., a Delaware Corporation, having its principal place of business at 1110 NE Circle Blvd., Corvallis, OR 97330 USA (“3DN”), and Eastman Chemical Company, a Delaware corporation having its principal place of business at 200 South Wilcox Drive, Kingsport, Tennessee 37660 USA on its behalf and on behalf of its wholly owned subsidiaries Solutia Inc. and Southwall Technologies Inc. (hereinafter collectively referred to as “Eastman”), each of the foregoing individually a “Party” and collectively “Parties”.
WITNESSETH:
WHEREAS, 3DN has entered into an Intellectual Property Agreement (the “HP Agreement”) with Hewlett-Packard Development Company, L.P. and HP, Inc. (collectively “HP”) with an effective date of January 31, 2016, as amended, by which 3DN has the right to exercise an option to purchase certain electrokinetic display technology and associated patents from HP;
WHEREAS, Eastman has expertise in the development and production of applied films and interlayers for automobile windows and may be interested in licensing rights to such electrokinetic display technology and associated patents that 3DN may purchase from HP;
WHEREAS, 3DN and Eastman desire to jointly develop electrokinetic films and determine their suitability for commercial use in applied films and interlayers for automobile windows; and
WHEREAS, Eastman is interested in having Exclusive Access to electrokinetic display technology within the Eastman Field during the Term of this Agreement, as well as an Exclusive Option to purchase an exclusive license within the Eastman Field to certain electrokinetic display technology and associated patents that 3DN may purchase from HP.
NOW, THEREFORE, in consideration of the premises and mutual covenants contained herein, the Parties hereto agree as follows:
ARTICLE 1 DEFINITIONS
As used herein, the following terms shall have the following meanings:
| 1.1 | “Background IP” means all of the Intellectual Property, including all information, know-how and knowledge (whether patented or not) owned, possessed, or controlled by a Party at the Effective Date or that a Party may obtain or develop independently of the activities under this Agreement, in each case that is necessary to fulfill an obligation under an SOW issued pursuant to this Agreement. |
| 1.2 | “Development Period” and/or “Term” means the period from and after the Effective Date through and including January 31, 2020. |
| 1.3 | “Development Program” means the Parties’ activities under this Agreement to develop cicctrokinetic films and methods of producing them and determine their suitability for commercial use in applied films and interlayers for automobile windows, the specifics of which will be determined and agreed upon by the Parties and memorialized in an SOW or series of SOWs. |
| 1.4 | “Eastman Background IP” means Background IP owned, possessed, or controlled by Eastman as of the Effective Date. |
| 1.5 | “Eastman Field” means applied films and interlayers for automobile windows. |
| 1.6 | “Effective Date” means the date first herein above appearing in this Agreement and shall be the Effective Date of this Agreement. |
| 1.7 | “Exclusive Access” means sole access within the Eastman Field to electrokinetic technology owned, possessed, or controlled by 3DN. Notwithstanding this Article 1.7, 3DN reserves the right to provide access to and enter into a license to 3DN Background IP, outside the Eastman Field, with a current or future 3DN investor not in direct competition with Eastman or any of its subsidiaries. |
| 1.8 | “Exclusive Option” means the exclusive right during the Term and either (i) for six months thereafter or (ii) six months after 3DN purchases the below-referenced HP technology and patents, whichever period ends later, for Eastman to purchase, at commercially reasonable terms negotiated in good faith, an exclusive license in the Eastman Field from 3DN to certain electrokinetic technology and associated patents. Such exclusive license will also be subject to any license rights granted by or to HP prior to the purchase, provided such license rights were granted by or to HP without 3DN knowledge or consent. |
| 1.9 | “3DN Background IP” means Background IP owned, possessed or controlled by 3DN as of the Effective Date. |
| 1.10 | “Intellectual Property” or “IP” means intellectual property rights or similar proprietary ownership rights or interests in any jurisdiction including, but not limited to: trademarks; patents; ideas, inventions, invention disclosures or reports, discoveries or improvements (whether patented or patentable or not); trade secrets or know-how; copyrights; and any goodwill associated with the foregoing. |
| 1.11 | “Invention” or “Inventions” means any development, idea, invention, article, method, process, technique, discovery or improvement (whether patentable or not) relating to the Product and manufacturing processes that is conceived or reduced to practice in the course of the Development Program. |
| 1.12 | “Joint Invention(s)” means any Invention that is conceived or reduced to practice jointly by employees, agents or contractors of both Parties during the term of this Agreement. |
| 1.13 | “Product(s)” means electrokinetic applied films or interlayers for automobile windows. |
| 1.14 | “Program Fee” means, with respect to the Term, the total sum of a nonrefundable fee of Three Hundred Fifty Thousand Dollars ($350,000); with a first payment of One Hundred Twenty-Five Thousand Dollars ($125,000) promptly following execution and delivery of this Agreement by the Parties, a second payment of One Hundred Twenty-Five Thousand Dollars ($125,000) upon delivery of at least two (2) samples meeting specifications reasonably acceptable to the Parties, which 3DN acknowledges and agrees will be delivered to Eastman within six (6) months of the Effective Date, and the remaining One Hundred Thousand Dollars ($100,000) upon the first anniversary of the Effective Date of this Agreement. |
| 1.15 | “Project IP” means any Intellectual Property created in connection with the Development Program, including any services performed under an SOW. |
| 1.16 | “Statement of Work” or “SOW” means a document negotiated and agreed by the Parties substantially in the form set forth as Exhibit A attached hereto and made a part hereof. |
ARTICLE 2 PURPOSE, RESPONSIBILITES & EXCLUSIVITY
| 2.1 | During the Development Period, each Party agrees to cooperate and work exclusively with the other Party under the Development Program and each SOW within the Eastman Field and use reasonable efforts to successfully complete the objectives outlined in the SOW in accordance with the terms and conditions of this Agreement. |
| 2.2 | All expenses necessary for the Development Program during the Development Period shall be borne by the Party incurring the cost for its share of work in the Development Program as stipulated in Article 2.1. |
| 2.3 | Outside of the Development Program, either Party, at its sole discretion, may: |
| (A) | Conduct any research or development work in any field whatsoever independently of the other Party outside the course of performance under the Development Program, whether by itself or in collaboration with a third party; |
| (B) | Continue existing commitments or to make new ones; and |
| (C) | Use, exploit (including via sublicensing), commercialize or otherwise take advantage of its own Intellectual Property, including Background IP, provided such use is not in contradiction with the terms of this Agreement. |
ARTICLE 3 STEERING TEAM
| 3.1 | 3DN and Eastman agree to establish a steering team (the “Steering Team”) to implement this Agreement and serve as the first arbitrator for any disputes arising under, out of or relating to this Agreement. The Steering Team will include one (1) representative from each of the Parties. The initial Steering Team is set forth on Exhibit B attached hereto and made a part hereof. The Steering Team will meet regularly, but no less frequently than quarterly, to monitor and discuss, inter alia, the direction and progress of the Development Program, any need to alter, change or supplement the direction of the Development Program, coordinate any patent application drafting, prosecution or maintenance, and the overall success of the Parties’ efforts. Such meetings may be conducted in person, by video/telephone conference or such other method as the Steering Team deems appropriate. |
| 3.2 | If the Steering Team is unable to resolve a dispute referred to it according to Article 3.1, then the Steering Team will refer the dispute to senior management of 3DN and Eastman for resolution. |
2
| 3.3 | 3DN and Eastman will each appoint a Program Leader who will be responsible for the day to day operation of activities in furtherance of the Development Program. The Program Leaders will provide written reports to the Steering Team on a periodic basis, but not less frequently than quarterly. A Party may change its Program Leader upon notice to the other Party. |
| 3.4 | Transmittal of the written reports shall be made through secure email, registered mail, or other confidentially secure means. |
ARTICLE 4 INTELLECTUAL PROPERTY & INVENTIONS
| 4.1 | Ownership of Project IP: |
| (A) | 3DN shall continue to own or possess 3DN Background IP and is free to use it in any field for any purpose. |
| (B) | All right title and interest in Inventions made solely by 3DN during the Term of this Agreement shall be owned solely by 3DN with an irrevocable and permanent exclusive license to Eastman within the Eastman Field, including the right to make and have made. |
| (C) | Eastman shall continue to own Eastman Background IP and is free to use it in any field for any purpose. |
| (D) | All right title and interest in Inventions made solely by Eastman during the Term of this Agreement shall be owned solely by Eastman with an irrevocable and permanent exclusive license to 3DN outside the Eastman Field, including the right to make nad have made. |
| (E) | Joint Invention(s) shall be owned by 3DN, with an irrevocable and permanent exclusive license ID Eastman within the Eastman Field, including the right to make and have made . |
| 4.2 | During the Term of this Agreement, 3DN and Eastman may exchange, at their exclusive and individual discretion, their respective Background IP. If the Background IP is considered by a Party to be a trade secret and is maintained as a trade secret, then such Party shall not be obligated to supply such Background IP to the other Party, unless the use of such trade secret is necessary, in the trade secret owner’s estimation, to achieve the purposes of the Development Program. If a Party determines that disclosure of a trade secret is necessary for the Development Program, then that Party will notify the Steering Team for a determination of the appropriate action that the Parties will take in order to adequately protect the trade secret. |
| 4.3 | During the Development Program, each Party grants to the other Party a worldwide, non-exclusive and royalty-free license in and to its Inventions, Joint Inventions, and Background IP that may be necessary or useful solely to pursue research and development activities in support of the Development Program. |
| 4.4 | Each Party shall, without delay, inform the other Party in writing of each and every Invention that arises in a Party’s activities in support of the Development Program and, where appropriate, transmit the specifications and drawings relating thereto. |
| 4.5 | If any Invention developed by either 3DN or Eastman is capable of being patented in any country, the Party owning such Invention shall be entitled to apply for such patent in its own name and at its own expense. |
| 4.6 | If 3DN decides that 3DN will not apply for a patent to which it is entitled to apply or prosecute or maintain a patent application or patent it owns hereunder, 3DN will promptly notify Eastman of its decision and offer Eastman the opportunity to own the invention, patent application or patent and pursue patent coverage or maintain the patent at Eastman’s sole expense. If Eastman decides that Eastman will not apply for a patent to which it is entitled to apply or prosecute or maintain a patent application or patent it owns hereunder, Eastman will promptly notify 3DN of its decision and offer 3DN the opportunity to own the invention, patent application or patent and pursue patent coverage or maintain the patent at 3DN’s sole expense. In all cases, the first Party shall give the other Party all reasonable assistance and promptly execute all documents required. |
| 4.7 | With respect to the prosecution of any patent applications or patents directed to Inventions, the Parties intend and agree that this Agreement qualifies as a “joint research agreement” within the meaning of 35 U.S.C. §100(h) of the United States Patent Code, the scope of which is meant to include all aspects of the Development activities. This designation is provided solely for purposes of 35 U.S.C. §102(c) and is not intended to alter the scope of this Agreement beyond what is set forth herein. Any Party prosecuting a United States patent or patent application will include a statement to the foregoing effect consistent with 35 U.S.C. §102(c)(3). |
3
ARTICLE 5 OTHER AGREEMENTS OF THE PARTIES
| 5.1 | 3DN hereby grants Exclusive Access to Eastman during the Term of this Agreement, as such Term may be extended. |
| 5.2 | 3DN hereby grants the Exclusive Option to Eastman during the Term of this Agreement, as may be extended. |
| 5.3 | Eastman may elect to extend the Term on a year-by-year basis (“Extension Period”) by providing written notice of such extension to 3DN at least thirty (30) days prior to expiration of the Term or at least thirty (30) days prior to expiration of an Extension Period if the Parties are in an Extension Period. If Eastman elects to extend the Term of this Agreement on a year-by-year basis, Eastman shall pay to 3DN additional consideration in the amount of One Hundred Thousand Dollars ($100,000) per year extended (the “Extension Fee”). Each Extension Fee shall accompany the written notice of extension. |
| 5.4 | 3DN hereby represents and warrants to Eastman as follows: |
| (A) | 3DN is a corporation duly organized, validly existing and in good standing under the laws of the State of Delaware and has all requisite corporate or similar power and authority to own, lease and operate its assets and to carry on its business as now being conducted. |
| (B) | 3DN has full power and authority (including full corporate or other entity power and authority) to execute and deliver this Agreement and all related agreements contemplated hereby to which it is or will be a party and to perform its obligations hereunder and thereunder. |
| (C) | The execution, delivery and performance by 3DN of this Agreement and all related agreements contemplated hereby to which it is or will be a party have been duly authorized by 3DN. |
| (D) | This Agreement constitutes the valid and legally binding obligation of 3DN, enforceable against 3DN in accordance with its terms and conditions, subject to applicable bankruptcy, insolvency, moratorium or other similar laws relating to creditors’ rights and general principles of equity. |
| (E) | Neither the execution and delivery of this Agreement nor the consummation of the transactions contemplated hereby or thereby (including the related agreements), will (i) conflict with or result in a breach of the certificate of incorporation or bylaws, or other organizational documents of 3DN, (ii) violate any law or decree to which 3DN, or its assets or properties are subject, or (iii) conflict with, result in a breach of, constitute a default under, result in the acceleration of, create in any party the right to accelerate, terminate, modify or cancel, or require any notice under any contract to which 3DN is a party or by which it is bound in respect of 3DN’s business or to which any of 3DN’s assets is subject. 3DN is not required to give any notice to, make any filing with, or obtain any authorization, consent or approval of any governmental authority or any other party, including HP, in order for the Parties to consummate the transactions contemplated by this Agreement or any related agreement. |
| 5.5 | Eastman hereby represents and warrants to 3DN as follows: |
| (A) | Each of Eastman Chemical Company, Solutia Inc., and Southwall Technologies Inc. is a corporation duly organized, validly existing and in good standing under the laws of the State of Delaware and has all requisite corporate or similar power and authority to own, lease and operate its assets and to carry on its business as now being conducted. |
| (B) | Eastman has full power and authority (including full corporate or other entity power and authority) to execute and deliver this Agreement and all related agreements contemplated hereby to which it is or will be a party and to perform its obligations hereunder and thereunder. |
| (C) | The execution, delivery and performance by Eastman of this Agreement and all related agreements contemplated hereby to which it is or will be a party have been duly authorized by Eastman. |
| (D) | This Agreement constitutes the valid and legally binding obligation of Eastman, enforceable against Eastman in accordance with its terms and conditions, subject to applicable bankruptcy, insolvency, moratorium or other similar laws relating to creditors’ rights and general principles of equity. |
| (E) | Neither the execution and delivery of this Agreement nor the consummation of the transactions contemplated hereby or thereby (including the related agreements), will (i) conflict with or result in a breach of the certificate of incorporation or bylaws, or other organizational documents of Eastman, (ii) violate any law or decree to which Eastman, or its assets or properties are subject, or (iii) conflict with, result in a breach of constitute a default under, result in the acceleration of, create in any party the right to accelerate, terminate, modify or cancel, or require any notice under any contract to which Eastman is a party or by which it is bound in respect of Eastman’s business or to which any of F.astrnan’s assets is subject. Eastman is not required to give any notice to, make any filing with, or obtain any authorization, consent or approval of any governmental authority or any other party, in order for the Parties to consummate the transactions contemplated by this Agreement or any related agreement. |
4
| 5.6 | 3DN hereby covenants and further agrees as follows: |
| (A) | 3DN will not enter into any agreements or commitments which would conflict in any manner with the obligations of 3DN under this Agreement or the rights being granted to Eastman under this Agreement. |
| (B) | 3DN will not transfer or waive any of its rights under its agreements with HP, including the HP Agreement, with respect to the rights being granted to Eastman under this Agreement without Eastman’s prior written consent |
| (C) | 3DN will promptly notify Eastman in the event of any breach or default by 3DN under its agreements with HP, including the HP Agreement. |
| (D) | 3DN will use reasonable efforts to fulfill its obligations and discharge all of its liabilities under its agreements with HP, including the HP Agreement and will use reasonable efforts to ensure that any of its employees who were formerly employed by HP will honor all of their respective obligations to HP. |
| (E) | 3DN will not amend its agreements with HP in any manner which could adversely affect the rights being granted to Eastman under this Agreement without Eastman’s prior written consent. |
| (F) | 3DN will exercise the Assignment Option (as defined in the HP Agreement) and pay the remainder of the Purchase Price (as defined in the HP Agreement) upon written notice from Eastman at any time from and after January 1, 2019, with reimbursement by Eastman of fifty percent (50%) of the remaining Purchase Price. Such reimbursement by Eastman shall be paid to 3DN within 3 (three) business days of the payment from 3DN to HP. |
ARTICLE 6 CONFIDENTIALITY
| 6.1 | During the Term of this Agreement and for seven (7) years thereafter, each Party undertakes to use all documents, data and information of any kind, (collectively “Confidential Information”), supplied by the other Party under this Agreement only in furtherance of the Development Program and to hold all such Confidential Information in trust and strict confidence and not to disclose it to any other person or party, except that the Recipient may disclose the Confidential Information to those of its officers, directors, employees, agents, advisors or consultants who need access to the Confidential Information to accomplish the objectives of this Agreement and who are bound in writing to confidentiality with respect to such Confidential Information. Neither Party will reproduce received confidential information or incorporate it into derivative works, patent applications, or notes unless necessary to achieve the goals of the Development Program. |
| 6.2 | With respect to any samples provided, the receiving Party agrees to (a) hold such samples in confidence, (b) not transmit such samples to any third Party without the prior written consent of the disclosing Party, and (c) not to sell or use such samples either commercially or for any purpose not specifically contemplated by this Agreement. |
| 63 | A receiving Party owes no duty to the disclosing Party with respect to information that: a) is known to receiving Party at the Effective Date; b) is or becomes known to the public without breach of this Agreement by the receiving Party; or c) is disclosed to receiving Party by a third Party having a bona fide right to disclose it. |
| 6.4 | Information shall not be deemed to be within an exception listed in Article 6.3 above merely because the feature is embraced by more general information deemed to be within the exceptions. A combination of features of confidential information shall not be considered to be within the exceptions unless the precise combination itself and its principle of operation are within the exceptions. |
| 6.5 | Upon expiration or termination of this Agreement, and upon request of the disclosing Party, the receiving Party shall return to the disclosing Party all documents and tangible objects containing or reflecting data and information of any kind, including Background IP, except that the receiving Party may retain one (1) archival copy for the sole and exclusive purpose of administering its obligations hereunder. |
5
ARTICLE 7 TERM & TERMINATION
| 7.1 | The Term and Development Period of this Agreement may only be extended by mutual written agreement of the Parties. |
| 7.2 | If a Party fails or neglects to keep, observe, or perform any provisions set forth herein, then the other Party may notify such Party in writing of such breach stating the nature of such breach. If the failure remains unremedied for ninety (90) days or more from the notification, then the other Party may terminate this Agreement by giving a written notice of such termination. |
| 7.3 | Any and all license rights granted in Article 4.3 shall cease immediately in the event of expiration or termination of this Agreement pursuant either to Article 7.1 or Article 7.2. A Party retains the right, however, to use its own Background IP and Inventions that it owns hereunder in any field for any purpose subject to the licenses surviving hereunder. |
| 7.4 | Following termination or expiration of this Agreement, the Parties’ rights and obligations under the following Articles shall survive and remain in full force and effect: Article 4 with the exception of Article 4.3 as specified above, Article 6, Article 8 and Article 9. |
ARTICLE 8 NOTICE
Any notice hereunder shall be deemed given when sent in writing, and may be given by personal delivery. registered mail, postage prepaid and return receipt requested at the address first set forth in this Agreement or at such other address or number as may be provided in written notice by either Party.
ARTICLE 9 GOVERNING LAW
| 9.1 | This Agreement shall be governed as to all matters, including the validity, construction and performance by the laws of the State of Delaware and of the USA, without regard to principles of conflicts of law that would require the application of the laws of any other jurisdiction. |
| 9.2 | The Parties shall first attempt to settle any dispute arising out of or in connection with this Agreement by amicable consultation between the Parties, including a management representative of each Party who is empowered to settle the dispute in question. Either Party may notify the other Party about any dispute and its intention to settle it under this Agreement. |
| 9.3 | In no event will either Party to this Agreement he liable to the other for any indirect, special, incidental, or consequential loss or damage arising out of or in connection with this Agreement as a result of any breach of contract, tort (including negligence), breach of statutory duty, or otherwise. |
| 9.4 | United States sourced technical information provided by one Party to another Party under this Agreement and direct products of such data may be controlled by the United States Export Control Regulations. No license, implied license, or other approval for export or re-export, directly or indirectly, of such data or products is hereunder provided. It is the sole responsibility of a Party receiving such data to comply with whatever requirement the United States government may make for such export or re-export at the time thereof. |
ARTICLE 10 MISCELLANEOUS
| 10.1 | Neither this Agreement nor any right or obligation hereunder shall be assignable in whole or in part, whether by operation of laws, or otherwise by either Party without a prior written consent of the other Party. In case of any amalgamation or sale of either Party, neither this Agreement nor any right hereunder may be assigned to the successor of such Party. |
| 10.2 | No amendment or supplement hereof shall be effective or binding on either Party hereto unless reduced to writing and executed by the duly authorized representatives of both Parties hereto. |
| 10.3 | Neither Party to this Agreement shall be held responsible for the damages caused by any delay or failure to perform under this Agreement which is the result of any happenings or events which could not have been reasonably avoided. Such happenings or events shall include, but not be limited to, fire, flood, explosion, action of the elements, acts of God, accidents, epidemics, inability to obtain or shortage of material or equipment, riots, or other civil commotion, war, enemy action, or the acts, demands or requirements of the Government of Austria or the United States. |
| 10.4 | This Agreement may be executed in one or more counterparts, each being an original, and when taken together constitute one and the same instrument. An electronic copy of a signature of the Agreement shall be effective in all respects. |
| 10.5 | Each party warrants that as of the Effective Date it possesses all rights and full power and authority required to enter into this Agreement, to undertake the rights and obligations set forth herein, and to perform according to its terms. |
6
IN WITNESS WHEREOF, the Parties have caused this Agreement to be executed on the day and year first above written.
| 3D NANOCOLOR CORP. | EASTMAN CHEMICAL COMPANY | |||
| Sign: | /s/ Tim Koch | sign: | /s/ Dante Rutstrom | |
| Name: | Tim Koch | Name: | Dante Rutstrom | |
| Title: |
CTO
|
Title: | Vice President, Advanced Materials Technology | |
| 8/23/17 | 8/23/17 | |||
7
EXHIBIT A
FORM OF STATEMENT OF WORK
Statement of Work No. —
This SOW No. ___ effective as of [ ] (the “SOW Effective Date”), is between 3D Nanocolor Corp. (“3DN”) located at 1110 NE Circle Blvd., Corvallis, OR 97330 and Eastman Chemical Company, acting on behalf of itself and its affiliates, located at P.O. Box 431, 200 South Wilcox Drive, Kingsport, TN 37662-5280 (“Eastman”) pursuant to the terms in that certain Collaboration Agreement (the “Collaboration Agreement”) between the Parties dated [ ]. This SOW No. is subject to the terms in the Collaboration Agreement except as expressly set forth in this SOW No. .
| 1. | Definitions. Terms defined in the Collaboration Agreement shall have the same meaning when used in this SOW No. . |
| 2. | Scope of this SOW. |
| 3. | SOW Schedule and SOW Milestones. |
| 4. | Deliverables. |
| 5. | Project Managers. |
| ● | 3D Nanocolor — TBD. |
| ● | Eastman — TBD. |
| 6. | Project Team. |
| ● | 3D Nanocolor — TBD. |
| ● | Eastman — TBD. |
| 7. | Steering Team. [If different from Master Collaboration Agreement] |
| 8. | Development Costs. |
| 9. | Specifications. [if necessary.] |
| 10. | Other Terms. [If necessary.] |
In Witness Whereof, the Parties have executed this SOW No. as effective as of the SOW Effective Date.
| 3D Nanocolor Corp. | Eastman Chemical Company | |||
| By: | By: | |||
| Printed Name: | Printed Name: | |||
| Title: | Title: | |||
| Date: | Date: | |||
EXHIBIT B
STEERING TEAM
<Steering Team>
| 3D NANOCOLOR CORP. | EASTMAN |
| Name: | Name: |
| Title: | Title: |
<Program Leader>
| 3D NANOCOLOR CORP. | EASTMAN |
| Name: | Name: |
| Title: | Title: |
First Amendment to Collaboration Agreement
This First Amendment to Collaboration Agreement (“First Amendment”) is made and entered into as of August 21, 2018, by and between Crown Electrokinetics Corp., a Delaware corporation having its principal place of business at 1110 NE Circle Blvd., Corvallis, OR 97330 and formerly known as 3D Nanocolor Corp. (“Crown”) and Eastman Chemical Company, a Delaware corporation having its principal place of business at 200 South Wilcox Drive, Kingsport, Tennessee 37660 USA, on its behalf and on behalf of its wholly owned subsidiaries Solutia Inc. and Southwall Technologies Inc. (hereinafter collectively referred to as “Eastman”); each of the foregoing individually a “Party” and collectively “Parties”.
Whereas, Crown and Eastman are parties to that certain Collaboration Agreement dated August 23, 2017 (the “Agreement”);
Whereas, on October 6, 2017, 3D Nanocolor Corp. changed its name to Crown Electrokinetics Corp.; and
Whereas, The Parties agree to amend certain terms of the Agreement as more particularly described in this First Amendment.
Now therefore, in consideration of the mutual covenants and agreements hereinafter set forth and for other good and valuable consideration, the receipt and sufficiency of which are hereby acknowledged, the Parties hereby agree as follows:
| 1. | Amendment to Section 1.14 of the Agreement. Section 1.14 of the Agreement is hereby deleted in its entirety and restated to read as follows: |
1.14 “Program Fee” means, with respect to the Term, the total sum of a nonrefundable fee of Three Hundred Fifty Thousand Dollars ($350,000); with a first payment of One Hundred Twenty-Five Thousand Dollars ($125,000) promptly following execution and delivery of this Agreement by the Parties, a second payment of One Hundred Twenty-Five Thousand Dollars ($125,000) on or before June 2018, and the remaining One Hundred Thousand Dollars ($100,000) upon delivery of at least two (2) samples meeting specifications reasonably acceptable to the Parties and upon completion of item 4b (line 19 on the ghant chart) included in the Statement of Work set forth in section 1.16.”
| 2. | Amendment to Exhibit A to the Agreement. Exhibit A to the Agreement is hereby deleted in its entirety and replaced with Exhibit A attached to this First Amendment and made a part hereof. |
| 3. | Amendment to Section 1.16 of the Agreement. Section 1.16 of the Agreement, is hereby deleted in its entirety and restated to read as follows: |
1.16 “Statement of Work” or “SOW” means a document negotiated and agreed by the Parties in the form signed by the Parties and set forth as Exhibit A attached hereto and made a part hereof.”
| 4. | Effect of First Amendment. The Agreement, as amended by this First Amendment, is hereby ratified, confirmed and deemed in full force and effect in accordance with its terms. Each Party hereby represents to the other Party that such Party has full power and authority to execute and deliver this First Amendment and this First Amendment represents a valid and binding obligation of such Party enforceable in accordance with its terms. |
Page 1 of 3
| 5. | Final Understanding. The Agreement, as amended by this First Amendment, represents the final understanding between the Parties with respect to the subject matter hereof and the obligations of each Party hereunder cannot be changed or modified unless by writing signed by the Parties. There are no promises, agreements, terms, conditions, or obligations other than those contained herein; and the•Agreement, as amended by this First Amendment shall supersede all previous communications, representations, or agreements, oral or written, and courses of dealing between the Parties with respect to the subject matter hereof. |
| 6. | Governing Law. This First Amendment shall be governed as to all matters, including the validity, construction and performance by the laws of the State of Delaware and of the USA, without regard to principles of conflicts of law that would require the application of the laws of any other jurisdiction. |
| 7. | Counterparts. This First Amendment may be executed in one or more counterparts, each of which shall be deemed an original but together constitute one and the same instrument, with the same effect as if both of the Parties to this First Amendment had executed the same counterpart. |
| 8. | Electronic Signatures. Each of the Parties (i) has agreed to permit the use of telecopy or other electronic signatures in order to expedite the transaction contemplated by this First Amendment, (ii) intends to be bound by its respective telecopy or other electronic signature, (iii) is aware that the other will rely on the telecopy or other electronically transmitted signature, and (iv) acknowledges such reliance and waives any defenses to the enforcement of this First Amendment and the documents affecting the transaction contemplated by this First Amendment based on the fact that a signature was sent by telecopy or electronic transmission only. |
| CROWN ELECTROKINETICS CORP. | EASTMAN CHEMICAL COMPANY | |||
| Sign: | /s/ Tim Koch | Sign: | /s/ B. Travis Smith | |
| Name: | Tim Koch | Name: | B. Travis Smith | |
| Title | CTO | Title: | VP & GM | |
Page 2 of 3
Exhibit A
Form of Statement of Work
Page 3 of 3

Statement of Work revised August 2018
| Partners: | Crown Electroldnetics Corp (CEK) |
| Eastman Chemical Company (EMN) |
| 1 | Definitions |
| a. | Glass laminate: glazing construction where the switchable component is laminated between two glass panels, including electrical connections to control unit; “Interlayer” [IL] |
| b. | Applied Window Film: glazing construction where the switchable component is applied onto the surface for an existing glass panel, with sufficient environmental protection and Installability, and including electrical connections to control unit; “Applied Window Film” [AWF] |
| c. | Sheet-to-sheet [S2S]: production of samples in small volume from individual sheets (approximately letter-sized or smaller) in a primarily manual batch process |
| d. | Roll-to-Roll (R2R]: production of samples at higher volume in an automated coater |
| e. | Fitness-for-Use [FFU]: ability of a sample to comply with various performance criteria that are derived from the product’s intended use. Performance criteria can be regulatory specifications, industry standards, OEM specifications, or proprietary standards |
| f. | Failure Mode Effects Analysis [FMEA] |
| 2 | Scope of this SOW |
| a. | Sale-up of SON technology to an automotive glazing product In the form of |
| i. | a glass laminate that meets or exceeds automotive Industry “Fitness For Use” (FFU) standards and meets acceptance/endorsement from an automotive OEM or a Tier-1 automotive glazing supplier and/or (?) |
| ii. | (b) an automotive post-applied window film that meets Eastman’s internal FFU requirements. |
| b. | Identify the preferred initial target market and technical challenge to prioritize glass laminate or applied film as Initial development target. |
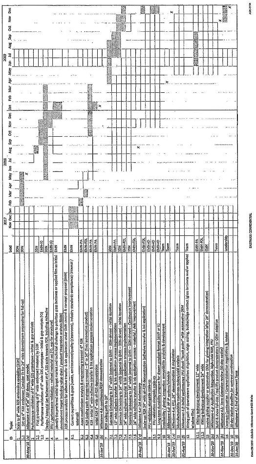
| 3 | SOW Schedule (also see Gantt Chart attached hereto and made a part hereof) |
| 1. | Scale to 6” wide R2R embossing capability [3DN] |
| 1.1. | Set up 6” R2R embosser; Consider fit for 24” wide downstream processing for full-cell |
3DN to activate mothballed 6” wide 132R embossing tool. Initial output will be sheets for S2S performance validation of functional cells.
Assess embossing capability for seamless random-length patterns: 3DN to propose technical options, sourcing, and cost Impact. 3DN to propose timeframe for technical implementation as port of scale-up.
Assess concepts towards compliance with cross-curvature glazing geometries: 3DN to propose technical/materials options and early-stage assessment methods as part of later-stage FEU refinement.
| EASTMAN CONFIDENTIAL | Page 1/6 |

| 2. | Performance validation of 6” wide S2S prototypes—initial & gap analysis [EMN-10] |
Early testing of critical FFU parameters on functioning cells of sufficient form factor and from S2S prototyping to determine critical performance gaps that may guide pre-scale-up material set development needs.
| 3. | Material Set Refinement at 6”, S2S scale [CEK] toward R2R, including Adhesive |
Address identified performance gaps through modifications of product design and/or material set. Project partners to focus on their respective field of expertise.
Initial work on S2S, then extend scope towards 6” R2R material set compatibility, and extend scope further towards 24” wide as hardware capability develops.
Anticipate continuous material set refinement throughout entire program
| 4. | FFU / performance validation - refined material set [EMN-I0, especially for structural integrity] |
Initial FFU validation with particular focus on structural properties of laminates from initial S2S fabrication at larger sample formats. Although manufactured R2R, material set should anticipate R2R compatibility.
Initial structural Integrity assessment important to guide embossing pattern and adhesive material development.
Assessment to include cross-curvature compatibility.
| 5. | Identify the preferred initial target market and technical challenge to prioritize IL vs. AWF as initial development target including value chain / product integration analysis [EMN] |
EMN business development to prioritize product format, value chain and channel; choice of IL vs. AWF determines scale-up, product performance metrics, channel partners, and market implementation path.
| 6. | R2R process analysis for adhesive transfer & ink application under EMN control & concept proposal [EMN] |
| 6.1. | Current capabilities & gaps (assets, environment/quality (cleanroom), Industry standards compliance) (internal / external) |
Analyze process performance needs for R2R process sequence “owned” by EMN (adhesive transfer & Ink application); initial assumptions largely rely on 3DN S2S
manufacturing flow with conceptual projection towards R2R capability.
Assess current internal and external capabilities at up to 24” width.
Gap analysis between “needs” and “capabilities” identifies focus areas for scale-up engineering. Plan assumes small/moderate modifications to EMN-internal assets implementable within 4-5 months. Extensive asset performance discrepancies may delay the R2R scaling plan.
| 6.2. | Asset modification analysis & engineering proposal: 6” R2R |
| 6.3. | R2R Scaling path engineering proposal— 6” to 24” (final automotive product) 6.4, R2R - initial 6” wide adhesive transfer & ink application process implementation |
R2R process development based an material properties, including any required asset configuration adjustments, to produce laminate cells with sufficient structural integrity that allow structural integration Into operable glazing concepts.
| 6.5. | Initial R2R 6” wide all-R2R demonstration |
R211 production of operable prototype devices
| EASTMAN CONFIDENTIAL | Page 2/6 |

| 7. | R2R scaling to 24” width |
| 7.1. | Seamless Embossing to 12” width (external to EMN —CEK-driven) — initial iteration |
Assess embossing capability for seamless random-length patterns: CEK to propose technical options, sourcing, cost impact; confirm technical demonstration schedule.
| 7.2. | 12” wide adhesive transfer & ink application process implementation |
| 7.3. | Seamless Embossing to 24” width (external to EMN —30N-driven) — initial iteration |
Assess embossing capability for seamless random-length patterns: 3DN to propose technical options, sourcing, cost impact; confirm technical demonstration schedule.
| 7.4. | 24” wide adhesive transfer & ink application process implementation |
| 7.5. | Seamless Embossing to 24” width (external to EMN — 3DN-driven) — continuous Improvement |
Anticipate need for continuous improvement either from cell geometry changes, structural analysis, R2R process constraints or similar insights.
| 7.6. | 24” wide adhesive transfer & ink application process—material/yield improvement |
Continuous material- and process improvement to increase yield and reduce manufacturing cost.
| 8. | Scale-up: R2R 24” wide all-R2R demonstration (adhesive transfer & ink application) |
| 9. | FFU validation alongside scale-up |
| 9.1. | FFU validation alongside scale-up |
FFU analysis to guide scale-up process development (process & material set).
| 9.2. | Long-term durability program for chosen product format (AWF or IL) |
FFU analysis toward qualification of a functioning product demonstrator, either AWF (minimum 6 months) or IL (up to 24 months)
| 10. | Installability / glazing Integration compatibility analysis & development |
With initial functioning prototypes, add necessary product integration functionality at internal small-scale development / prototyping level (e.g. laminating adhesive for AWF, PV6 & de-air etc. processing for IL)
| 11. | Manufacturability readiness review/yield analysis |
From internal prototyping work, conduct FMEA to review “go-to-market” and channel partner (e.g. glazing integrator) Issues, revise economics/business case analysis
| 12. | Kitting path of downstream application: singulation, edge sealing, busbar/edge contact (glass laminate and/or applied window film) |
Develop/demonstrate on prototype level critical concepts for product configuration and functional integration that can be adapted by channel partners. Initial work to start with CEK-generate S25 samples, and later with R2R samples from EMN lamination development In 12” and 24” formats
| EASTMAN CONFIDENTIAL | Page 3/6 |

| 13. | Involve glazing supplier or automotive OEM for glazing integration (after 24” demonstration) |
Involve commercial channel partner for product integration scale-up, and provide adequate engineering guidance, metrology and FFU analysis, and material/sample supply.
| 14. | Build & show full-size / real-life product demonstrators for OEM adoption |
Involve commercial channel partner to fabricate product demonstrator and prepare for automotive OEM model Implementation discussions.
| 15. | Contract Continuation / Commercialization negotiation and review |
| 4 | Milestones/ Deliverables |
(unless indicated otherwise, Milestones are achieved when their listed Deliverables have been completed and accepted. Certain milestones are fixed/calendar-driven per the collaboration agreement, other milestones capture technical progress goals)
| ID | Target Date | Deliverables | |||
| a | 23-Feb-2018 (actual 30- May-2018) |
i. 2 pristine 6“x6” in-glass-laminated prototypes with driver.... (see notes) ii. Initial cost projection (at projected embossing / printing productivity/capacity) iii. Adhesive application / ink print readiness analysis | |||
| b | 15-Jan-2019 |
i. Continuous length capability demonstration; R2R 6” process demonstration subject to EMN-controlled adhesive & ink application capability availability ii. Revised cost projection (at projected embossing / printing productivity/capacity) iii. identify the preferred initial target market and technical challenge to prioritize glass laminate or applied film as initial development target | |||
| c | 23-Aug-2018 |
[fixed/calendar-driven Milestone] i. lst anniversary | |||
| d | 01-Jan-2019 | i. Review of HP IP options/schedule [peed/calendar-driven Milestone] | |||
| e | 20-Dec-2029 |
i. Accelerated durability demonstrated: (electrical, chemical, thermal, WOM etc.) Advanced assessment for both proposed use cases— IL & AWF ii. 12” and 24” width R2R capability demonstration of operational devices iii. Singulation & kitting concept demonstration —12” width | |||
| f | 31-Aug-2019 |
i. Initial performance FFU check “touch point” with automotive OEM ii. FFU validation for glazing-integrated devices —advanced stage iii. Manufacturability readiness & yield analysis assessment for 24” width iv. Kitting technique developed for 24” |
| EASTMAN CONFIDENTIAL | Page 4/6 |

| g | 30-Nov-2020 |
i. Application integration demonstration — Including kitting for true auto glazing format (initial target application, IL or AWF) ii. High-yield demonstration R2R cell fabrication iii. Thorough accelerated durability demonstrated: x thousand cycles (electrical, chemical, thermal, WOM etc.) minus large-area lamination iv. Prototype presentation to glazing supplier or automotive OEM | |||
| h | 01-Nov-2019 |
[fixed / calendar-driven Milestone] i. Review regarding Term extension (30-day notice) | |||
| i | 31-Dec-2019 |
(fixed/calendar-driven Milestone) i. 30-Day notice deadline for contract continuation | |||
| j | 31-Jan-2020 |
[fixed / calendar-driven Milestone] i. Agreement expires ii. Quantity of 10 true auto glazing integration samples (initial target application, IL or AWF) |
Table 1: Milestones/Deliverables
| 5 | Project Managers |
| a. | Crown Electro-Kinetic: Tim Koch |
| b. | Eastman Chemical Co.: C. Stoessel |
| 6 | Project Team |
| a. | Crown Electro-Kinetic: T. Koch, J. Abbott, A. Jeans, J. Douvikas |
| b. | Eastman Chemical Co.: C. Lester, F. Koran, M. Tran, Y. Dai, Y. Farrow, R. Wipfier |
| 7 | Steering Team [if different from Master Collaboration Agreement] |
| a. | Crown Electra-Kinetic: T. Koch, J. Douvikas |
| b. | Eastman Chemical Co: D. Honeycutt, B. King, [tbd] |
| 8 | Development Costs |
| a. | Crown Electro-Kinetic: [tbd] |
| b. | Eastman Chemical Co: [tbd] |
| c. | Unless negotiated otherwise, each project partner bears Its own development cost |
| 9 | Specifications [if necessary] |
| a. | Automotive Fitness For Use i. Common |
| 1. | Switching time: |
| a. | Bleach-to-Dark: |
| b. | Dark-to-Bleach: |
| 2. | Intermediate switching states: |
| 3. | Stability (number of cycles) and degradation range: |
| a. | Room Temp: | |
| b. | +70°C: | |
| c. | -20°C: |
| EASTMAN CONFIDENTIAL | Page 5/6 |

| 4. | Color (Target and color box): |
| a. | Dark: Ra*/b* |
| b. | Bleach: |
| i. | Ra*/Rb* |
| ii. | Ta*/Tb* |
| 5. | Haze (bleach state): <5% |
| 6. | Electrical (at lm x 1m): |
| a. | Operating voltage: |
| b. | Max / Peak Voltage: |
| c. | Power Consumption —state change: |
| d. | Power Consumption —state hold/park: |
| 7. | Contour / ihtegration compliance: |
| a. | Device overall thickness (incl. substrate): |
| b. | Cylindrical: bending radius: |
| c. | Compound curvature: |
| ii. | Glass Laminate |
| 1. | VLT: dark: bleach: |
| iii. | Applied Window Film |
| 1. | VLT: dark: bleach: |
| 2. | Scratch resistance: |
| 3. | Tape Test (adhesion): |
| 4. | Open Edge Adhesion/delamination test: |
| 10 | Other Terms [If necessary] |
| 11 | Acceptance and Approval |
| For Crown Etectrokinetics Corp | For Eastman Chemical Company | |
| Tim Koch | B. Travis Smith | |
| Print Name | Print Name | |
| /s/ Tim Koch | /s/ B. Travis Smith | |
| Signature | Signature | |
| 8/22/18 | 8/22/18 | |
| Date | Date |
* * *
| EASTMAN CONFIDENTIAL | Page 6/6 |
